Csillag Delta Motor Bekötése





Haromfazisu Aszinkronmotorok Bekotese Agisys Hirek

Haromfazisu Aszinkronmotorok Bekotese Agisys Hirek

Haromfazisu Aszinkronmotorok Bekotese Agisys Hirek

Haromfazisu Aszinkronmotorok Bekotese Agisys Hirek

Villanymotor Bekotese Hobbielektronika Hu Online Elektronikai Magazin Es Forum

Villanymotor Bekotese Hobbielektronika Hu Online Elektronikai Magazin Es Forum

Csillag Delta Kapcsolas Bekotese Rajzok Hd

Csillag Delta Kapcsolas Bekotese Rajzok Hd

Csillag Delta Kapcsolo Youtube

Csillag Delta Kapcsolo Youtube

Untitled Document

Untitled Document

Untitled Document

Gepeszeti Szakismeretek 1 Sulinet Tudasbazis

Gepeszeti Szakismeretek 1 Sulinet Tudasbazis

Villanymotor Bekotesi Modjai Motor Systems Kft

Villanymotor Bekotesi Modjai Motor Systems Kft

Csillag Delta Kapcsolas Bekotese Rajzok Hd

Csillag Delta Kapcsolas Bekotese Rajzok Hd

Megsporolok Neked Egy Telefont Ja Nem Egy Villanymotort Techmonitor Hu

Megsporolok Neked Egy Telefont Ja Nem Egy Villanymotort Techmonitor Hu

Ganz Kapcsolo Csillag Haromszog Motor Kapcsolasi Segedlet

Ganz Kapcsolo Csillag Haromszog Motor Kapcsolasi Segedlet

Csillag Delta Alaprajz

Csillag Delta Alaprajz

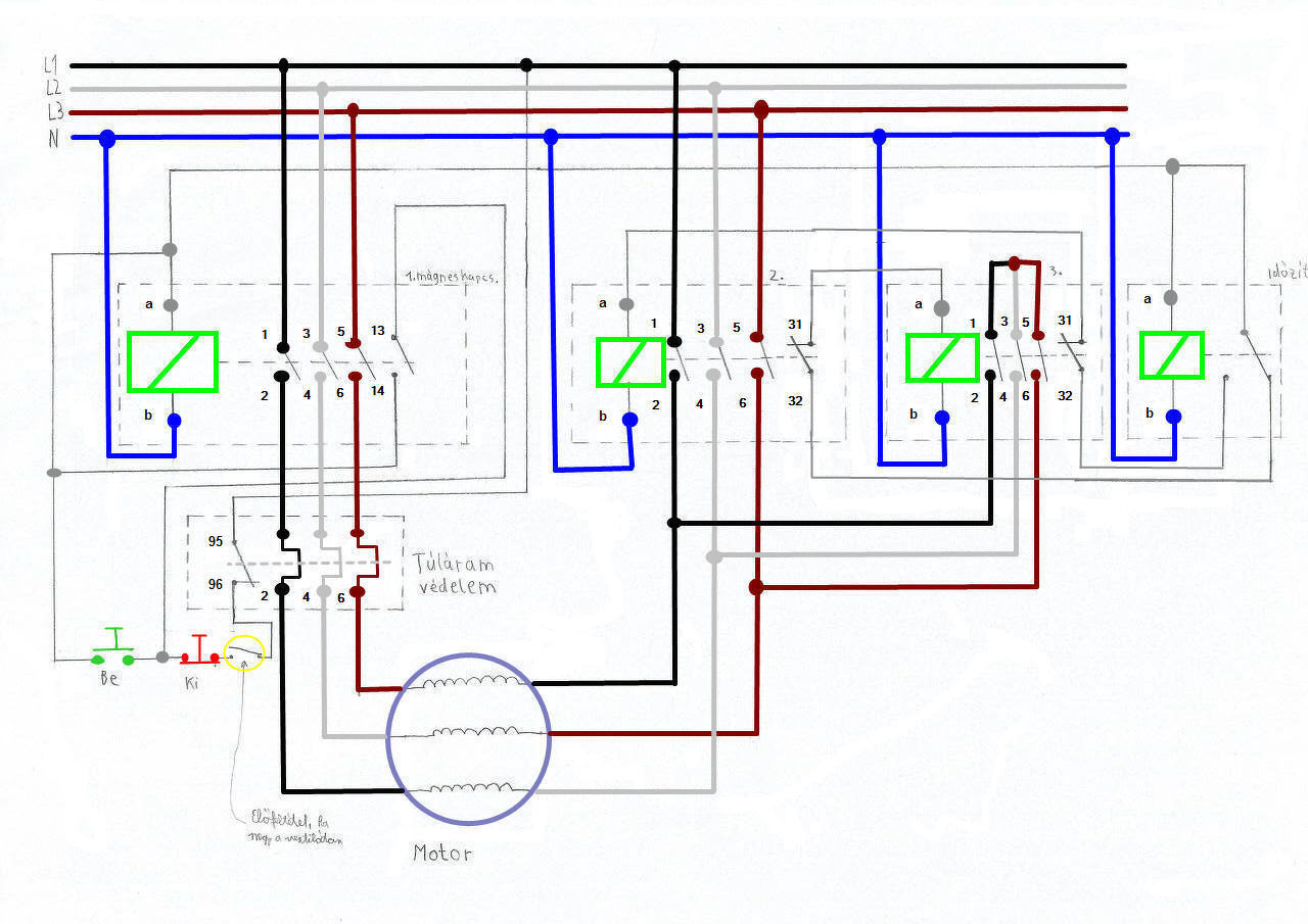
Csillag Delta Kapcsolas Megvalositasa Magnes Kapcsolokkal Hobbielektronika Hu Online Elektronikai Magazin Es Forum

Csillag Delta Kapcsolas Megvalositasa Magnes Kapcsolokkal Hobbielektronika Hu Online Elektronikai Magazin Es Forum

Csillag Delta Kapcsolas Bekotese Rajzok Hd

Csillag Delta Kapcsolas Bekotese Rajzok Hd

Csillag Delta Kapcsolo Bekotese A Hazamrol

Csillag Delta Kapcsolo Bekotese A Hazamrol

Villanymotor Bekotese

Villanymotor Bekotese

Iranyvaltas

Iranyvaltas

Tudastar Villanymotor Kereskedes

Tudastar Villanymotor Kereskedes

Csillag Delta Kapcsolas Megvalositasa Magnes Kapcsolokkal Hobbielektronika Hu Online Elektronikai Magazin Es Forum

Csillag Delta Kapcsolas Megvalositasa Magnes Kapcsolokkal Hobbielektronika Hu Online Elektronikai Magazin Es Forum

Wiring Diagram Star Delta Alkalmazasok A Google Playen

Wiring Diagram Star Delta Alkalmazasok A Google Playen

Source : pinterest.com